走進永大機械,關注我們,了解我們從這里開始!
公司源自臺灣,擁有四十余年的生產、管理經驗...
與志同道合的伙伴們一起為工程尋找合理的解決方案...
公司擁有經驗豐富的技術人員、服務團隊,擁有先進的生產設備...
我們專業于設計、制造各種液壓鑿巖機、沖擊動力頭、螺旋鉆機等用于公路、鐵路、隧道等道路工程建設、地質勘察、地基加固、礦山開采等的先進鉆鑿設備!
這里有不同產品的應用案例,讓您更清楚的了解我們和我們的產品!
關于液壓鑿巖機的應用案例,讓您更清楚的了解液壓鑿巖機系列的產品!
關于錨固鉆機的應用案例,讓您更清楚的了解錨固鉆機系列的產品!
關于螺旋鉆的應用案例,讓您更清楚的了解螺旋鉆系列的產品!
視頻讓你更好的了解我們永大機械!
品質與誠信,是我們不斷贏得客戶信耐的關鍵!
與客戶同行,記錄精彩瞬間,留下美好回憶!
公司先后與眾多知名企業、集團合作,為廣大客戶提供合理解決方案!
關注我們,關注永大機械,了解最新的動態和產品資訊!
聚焦永大機械,記錄精彩時刻,了解更多動態!
了解工程鉆鑿設備行業信息新動向!
為你解決售前、售中、售后等一些列問題!
更好了解我們的產品,在這里下載我們的產品電子樣本!
歡迎新老客戶來電咨詢洽談,我們將竭誠為您服務和解憂!
歡迎致電和留言,我們竭誠為您服務!
歡迎新老客戶上門參觀和洽談!
歡迎留言和反饋,我們將盡快處理和回復!
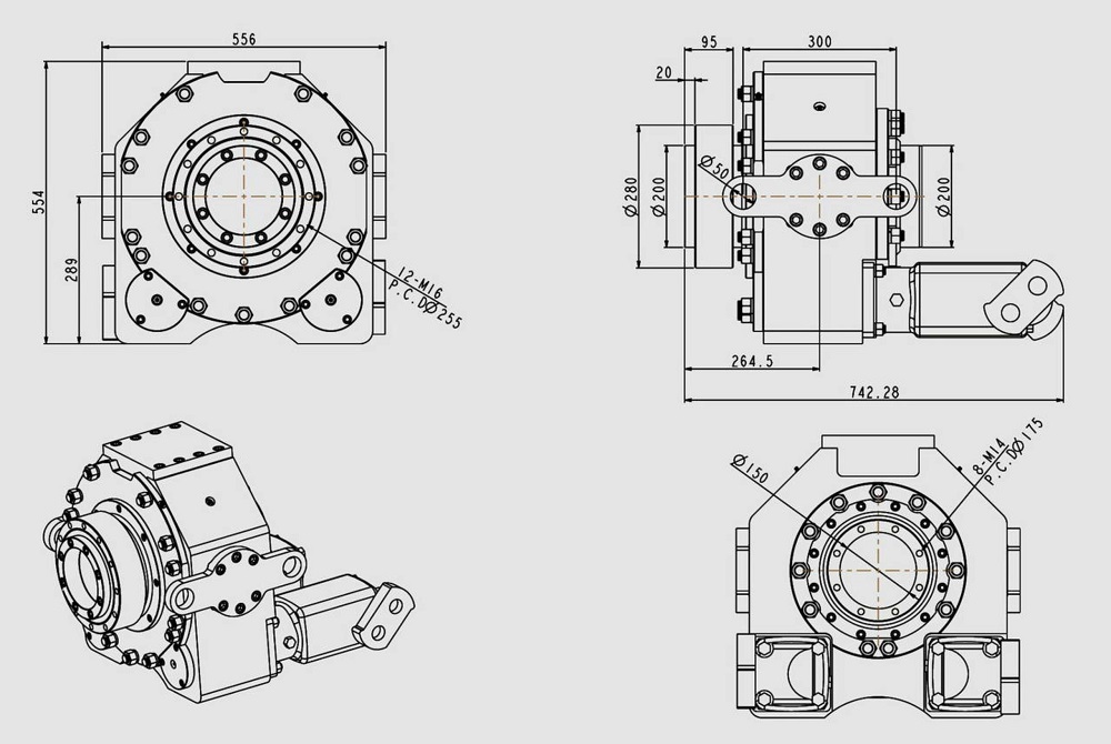
中空孔徑達到150mm 2檔液壓系統變速,可通過選擇液壓回路實現2檔回轉速度。
歡迎來電或留言獲取產品資料和價格,我們將竭誠為您服務,為您提供專業支持和解答各類疑問!
YDR802旋挖
版權所有 張家港保稅區永大機械有限公司
技術支持:瑞風科技